Index of /_atari/ftp.pigwa.net/stuff/collections/SIO2SD_DVD/Extension/GameLink 2


../                                                  -                     -
GameLink II_files/                                   -      2025-02-13 12:00
I'll give this a try_files/                     -      2025-02-13 12:00
agdagon.xfd                                     130.0K      1998-12-13 13:00
agdagonb.xfd                                    130.0K      1998-12-13 13:08
GameLink II.htm                                 709.0B      1999-11-29 15:48
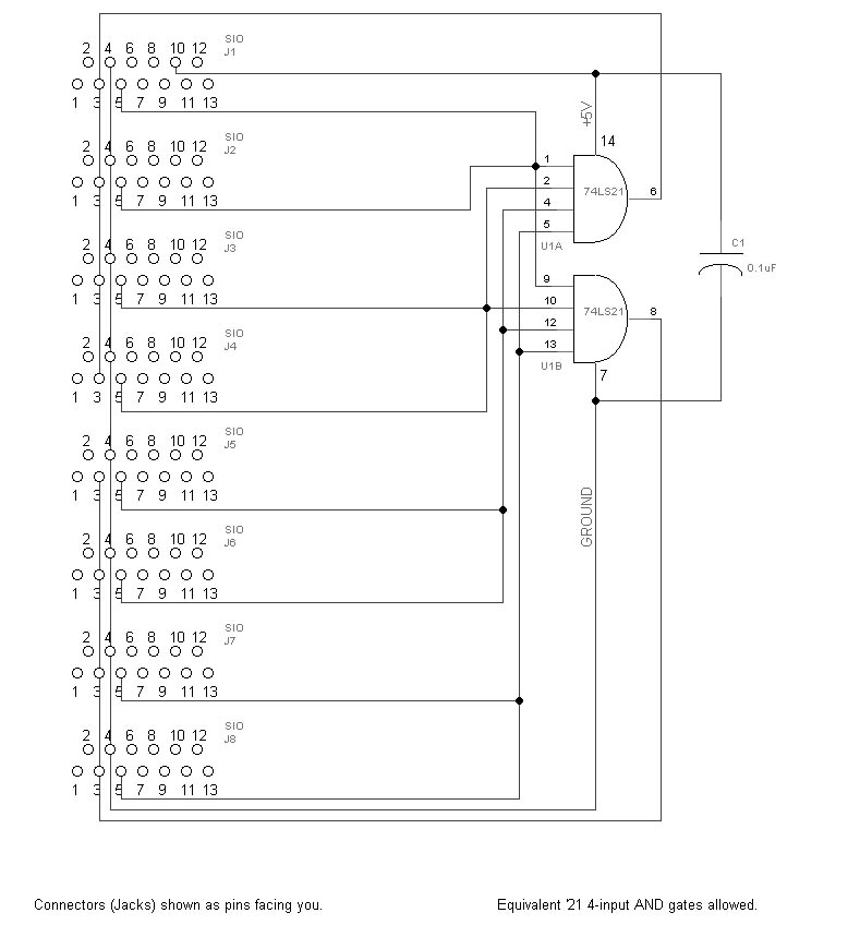
gamelink.gif                                     58.1K      1999-11-29 15:48
HOW DO I PROGRAM FOR GAMELINK 2.NWS               8.7K      1999-11-10 08:35
HOWDOIPROGRAMGAMLINKII.NWS                        8.7K      1999-11-10 08:35
I'll give this a try.htm                          7.7K      2000-09-08 12:52
moademo.arc                                      13.0K      2000-08-01 14:35
moamulti.arc                                     23.6K      2000-08-01 14:35