Index of /_atari/ftp.pigwa.net/stuff/collections/SIO2SD_DVD/Extension


../                                                                     -                     -
1020/                                                                   -      2025-02-13 12:00
1027/                                                                   -      2025-02-13 12:00
1050/                                                                   -      2025-02-13 12:00
1050 Duplicator/                                                        -      2025-02-13 12:00
1050 Speedy/                                                            -      2025-02-13 12:00
1064/                                                                   -      2025-02-13 12:00
1090/                                                                   -      2025-02-13 12:00
1200XL/                                                                 -      2025-02-13 12:00
1200XL IDE/                                                             -      2025-02-13 12:00
1300xe Project/                                                         -      2025-02-13 12:00
1MB - Satantronic/                                                      -      2025-02-13 12:00
1mb xe cart/                                                            -      2025-02-13 12:00
600XL/                                                                  -      2025-02-13 12:00
65XE/                                                                   -      2025-02-13 12:00
7800/                                                                   -      2025-02-13 12:00
800XL/                                                                  -      2014-04-18 02:37
810/                                                                    -      2025-02-13 12:00
850/                                                                    -      2025-02-13 12:00
A speaker for the Atari 800XL, 130XE or 1200XL computers/               -      2025-02-13 12:00
A Video Modification for the 1200XL/                                    -      2025-02-13 12:00
Action!/                                                                -      2025-02-13 12:00
Aki Pc Keaboard interface/                                              -      2025-02-13 12:00
Antic Sampling Processor_files/                                         -      2025-02-13 12:00
AST Turbo/                                                              -      2025-02-13 12:00
ATA2 Tech Info/                                                         -      2025-02-13 12:00
Atari 1020/                                                             -      2025-02-13 12:00
Atari 1027/                                                             -      2025-02-13 12:00
Atari 1050/                                                             -      2025-02-13 12:00
Atari 1064/                                                             -      2025-02-13 12:00
Atari 1200 XL/                                                          -      2025-02-13 12:00
Atari 130 XE/                                                           -      2025-02-13 12:00
Atari 2600/                                                             -      2025-02-13 12:00
Atari 2600 JR/                                                          -      2025-02-13 12:00
Atari 5200 Pal/                                                         -      2025-02-13 12:00
Atari 600 XL/                                                           -      2025-02-13 12:00
Atari 65 XE/                                                            -      2025-02-13 12:00
ATARI 7800 Developer/                                                   -      2025-02-13 12:00
Atari 7800 Pal/                                                         -      2025-02-13 12:00
ATARI 800 XL memory expansion 192KB by Abbuc/                           -      2025-02-13 12:00
Atari 800 XL Pal-NTSC/                                                  -      2025-02-13 12:00
Atari 800 XL Pal-NTSC with Freddie/                                     -      2025-02-13 12:00
Atari 800 XL Secam/                                                     -      2025-02-13 12:00
Atari 800xl/                                                            -      2025-02-13 12:00
Atari 850/                                                              -      2025-02-13 12:00
ATARI CDROM/                                                            -      2025-02-13 12:00
Atari Datasette XC12 Turbo 6000 Baud Interface/                         -      2025-02-13 12:00
Atari Doom/                                                             -      2025-02-13 12:00
ATARI HARD DRIVE - how to use your PC as a XL-XE hard disk/             -      2025-02-13 12:00
Atari joystick to a PC game port/                                       -      2025-02-13 12:00
Atari Super Turbo/                                                      -      2025-02-13 12:00
Atari T2000/                                                            -      2025-02-13 12:00
Atari XE System/                                                        -      2025-02-13 12:00
Atari-Link PC V0.95/                                                    -      2025-02-13 12:00
Basic XE/                                                               -      2025-02-13 12:00
BASIC XE FROM O_S_S/                                                    -      2014-04-18 12:00
Basic XL/                                                               -      2025-02-13 12:00
Bob Wooley 1200XL IDE/                                                  -      2025-02-13 12:00
BTL Hard Disk System/                                                   -      2025-02-13 12:00
BUILD YOUR OWN EPROM BURNER/                                            -      2025-02-13 12:00
c025953x/                                                               -      2025-02-13 12:00
Cartrige Hack/                                                          -      2025-02-13 12:00
Cartrigies/                                                             -      2025-02-13 12:00
CD-ROM do Atari XL-XE/                                                  -      2014-04-18 12:00
CDROM/                                                                  -      2025-02-13 12:00
Cmouse/                                                                 -      2025-02-13 12:00
Convert Atari-style joystick to PC joystick port/                       -      2025-02-13 12:00
COVOX/                                                                  -      2025-02-13 12:00
CX85 - klawiatura numeryczna/                                           -      2025-02-13 12:00
Dodatkowe klawisze w XE/                                                -      2025-02-13 12:00
Dual OS Upgrade/                                                        -      2014-04-18 12:00
DUAL PIA/                                                               -      2025-02-13 12:00
Dummy Cartridge/                                                        -      2025-02-13 12:00
EPROM Programmer/                                                       -      2025-02-13 12:00
Font Creator Project/                                                   -      2014-04-18 12:00
Freddie/                                                                -      2025-02-13 12:00
GameLink 2/                                                             -      2025-02-13 12:00
GitaSynch Upgrade/                                                      -      2025-02-13 12:00
Gos/                                                                    -      2025-02-13 12:00
GUMBY/                                                                  -      2025-02-13 12:00
Happy/                                                                  -      2014-04-18 12:00
Happy Warp/                                                             -      2025-02-13 12:00
Happy1050/                                                              -      2014-04-18 02:48
HDI Interface/                                                          -      2025-02-13 12:00
HomeBrew IDE Interface/                                                 -      2025-02-13 12:00
HYPERSPEED for Black Box - MIO/                                         -      2025-02-13 12:00
ICD US Doubler/                                                         -      2025-02-13 12:00
ISA bus INTERFACE for Atari/                                            -      2025-02-13 12:00
ISPLATE/                                                                -      2025-02-13 12:00
Karin Maxi/                                                             -      2025-02-13 12:00
Kmk - Polish IDE interface/                                             -      2025-02-13 12:00
LDW 2000/                                                               -      2025-02-13 12:00
Loading Atari ROM images into the Supercharger/                         -      2025-02-13 12:00
Logo/                                                                   -      2025-02-13 12:00
Memory Upgrade/                                                         -      2025-02-13 12:00
Midi/                                                                   -      2025-02-13 12:00
MIO/                                                                    -      2025-02-13 12:00
Modulatory/                                                             -      2025-02-13 12:00
MOUSE/                                                                  -      2025-02-13 12:00
MSC IDE interface/                                                      -      2025-02-13 12:00
MultyDash8/                                                             -      2025-02-13 12:00
MultyJoy8/                                                              -      2025-02-13 12:00
MY IDE - HD INTERFACE/                                                  -      2025-02-13 12:00
Newell memory upgrades/                                                 -      2025-02-13 12:00
OS/                                                                     -      2025-02-13 12:00
OSS-ICD/                                                                -      2025-02-13 12:00
PALNTSC/                                                                -      2025-02-13 12:00
Pc case Project/                                                        -      2025-02-13 12:00
PC Joystick to Amiga/                                                   -      2025-02-13 12:00
PC Serial Mouse to Atari ST mouse/                                      -      2025-02-13 12:00
PC-ATARI Mouse Adapter/                                                 -      2025-02-13 12:00
Pinouts - Atari/                                                        -      2014-04-18 12:00
PR Connector/                                                           -      2025-02-13 12:00
PS2 to Joystick Converter/                                              -      2025-02-13 12:00
Q-Meg/                                                                  -      2025-02-13 12:00
Qmeg OS/                                                                -      2025-02-13 12:00
RAM BANK DISPLAY/                                                       -      2025-02-13 12:00
Ram Cart 128KB/                                                         -      2025-02-13 12:00
Ram Cart 64KB/                                                          -      2025-02-13 12:00
Ram Extensions/                                                         -      2025-02-13 12:00
Rana 1000/                                                              -      2025-02-13 12:00
RVerter for the 8 bit Atari/                                            -      2025-02-13 12:00
S-Video and the Atari 8bit/                                             -      2025-02-13 12:00
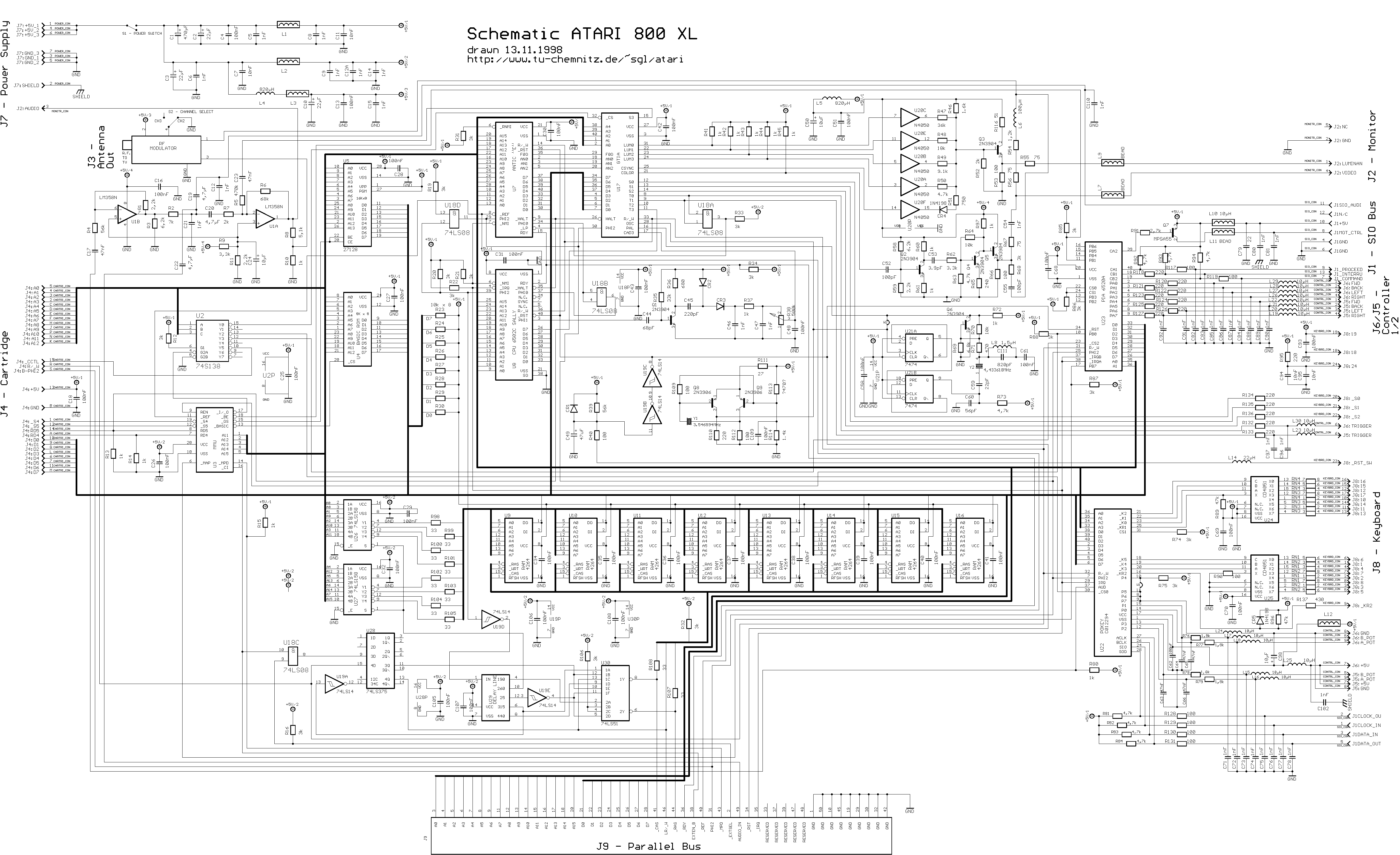
Schemat XL/                                                             -      2025-02-13 12:00
SID/                                                                    -      2025-02-13 12:00
Siec/                                                                   -      2025-02-13 12:00
Simdrv/                                                                 -      2025-02-13 12:00
Sio2IDE 1.7/                                                            -      2014-04-18 12:00
Sio2IDE 2.1/                                                            -      2014-04-18 12:00
Sio2IDE 3.0/                                                            -      2014-04-18 12:00
Sio2IDE 3.1/                                                            -      2014-04-18 03:00
Sio2IDE 3.2/                                                            -      2014-04-18 03:01
Sio2IDE 4.0/                                                            -      2025-02-13 12:00
Sio2PC/                                                                 -      2025-02-13 12:00
Sio2PC - Max 232/                                                       -      2025-02-13 12:00
Sio2PC - Max 232 - Azbest/                                              -      2025-02-13 12:00
Smart IDE/                                                              -      2014-04-18 03:04
Smart IDE - PL/                                                         -      2025-02-13 12:00
SmartOS mod for the XL-XE series (Part 1 & Part 2) NEW/             -      2014-04-18 12:00
SpartaDOS X/                                                            -      2025-02-13 12:00
Speedy 1050/                                                            -      2025-02-13 12:00
ST Mouse Info/                                                          -      2025-02-13 12:00
STEREO/                                                                 -      2025-02-13 12:00
Stereo_Sid_Covox/                                                       -      2025-02-13 12:00
Super Archiver/                                                         -      2014-04-18 12:00
Super Video 2.1XL/                                                      -      2025-02-13 12:00
Super Video for the 130XE/                                              -      2025-02-13 12:00
Tape Player/                                                            -      2025-02-13 12:00
Test Cart/                                                              -      2025-02-13 12:00
The EEPROM Programmer/                                                  -      2025-02-13 12:00
The PC-Gateway/                                                         -      2025-02-13 12:00
The RVerter SIO to RS232 interface/                                     -      2014-04-18 12:00
Top Drive/                                                              -      2025-02-13 12:00
Top Drive Happy/                                                        -      2025-02-13 12:00
Transkey/                                                               -      2025-02-13 12:00
TTL Video For The Classic ATARI/                                        -      2025-02-13 12:00
Turbo/                                                                  -      2025-02-13 12:00
Turbo 2000/                                                             -      2025-02-13 12:00
Turbo Blizzard/                                                         -      2025-02-13 12:00
TURBO DO MAGNETOFONU/                                                   -      2025-02-13 12:00
US-DOUBLER/                                                             -      2025-02-13 12:00
VGA to RGB + composite sync -converter/                                 -      2025-02-13 12:00
Voice InterfaceVoice box for the 800XL/                                 -      2025-02-13 12:00
XE SuperCart/                                                           -      2025-02-13 12:00
XEP 80/                                                                 -      2025-02-13 12:00
XF551/                                                                  -      2025-02-13 12:00
1050a.jpg                                                          378.7K      2000-02-15 18:45
1050b.jpg                                                          671.4K      2000-02-15 18:46
1050c.jpg                                                          450.3K      2000-02-15 18:47
1050d.jpg                                                          505.9K      2000-02-15 18:51
6502.DOC                                                            44.0K      1999-12-09 14:53
800xl.gif                                                          329.2K      1999-02-03 10:27
amychip.zip                                                        385.3K      2000-09-19 16:55
Antic Sampling Processor.htm                                        14.5K      2004-06-13 03:44
Atari controllers.txt                                               15.7K      1999-12-28 11:11
cputest.html                                                         2.5K      1998-10-10 19:46
CPUTEST.TXT                                                          1.7K      1998-04-18 18:22
DIS320.GIF                                                           2.2K      1995-06-17 15:55
EPROMY.DOC                                                          24.5K      1999-12-09 14:54
FIG1.GIF                                                             1.6K      1995-06-17 15:55
FIG2.GIF                                                             1.8K      1995-06-17 15:55
FIG3.GIF                                                             1.2K      1995-06-17 15:55
FUNKEYS.GIF                                                          1.9K      1995-06-11 23:13
hard_faq.htm                                                        38.6K      1999-12-08 16:33
HDRECORD.TXT                                                        11.7K      1995-06-15 23:31
INDICAT.GIF                                                          2.0K      1995-06-17 15:55
INTERCOM.GIF                                                         2.7K      1995-06-11 23:13
LDW2000.GIF                                                        136.8K      1999-04-29 13:22
MODSFAQ.TXT                                                         21.6K      1996-09-20 01:00
monitor.gif                                                          4.8K      2000-02-29 14:37
NEW_AND_EMU.TXT                                                     50.9K      1996-06-30 01:00
osscart.gif                                                          8.0K      2001-02-01 12:43
OSXL.GIF                                                             3.5K      1995-06-11 23:13
Procesor MOS 65C816.doc                                             93.0K      1999-12-09 14:54
prosys.gif                                                           3.2K      1998-11-10 12:25
Rozkazy przesylania danych procesora 6502.doc                        0.0B      2014-04-18 02:11
SKY WRITER - PLYTKA.JPG                                             57.9K      1999-08-27 13:02
Thumbs.db                                                            7.0K      2009-10-19 21:58
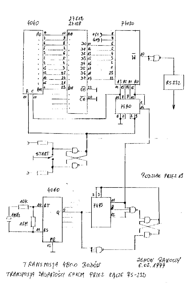
TRANSMISJA ZAWARTOSCI EPROMU.JPG                                   112.0K      1999-08-27 13:20
ultraspdplus.html                                                    3.9K      2000-01-09 11:59
xl800.jpg                                                          799.5K      1998-11-11 13:19
XLWIRING.TIF                                                         1.8M      1998-11-13 19:49