Index of /_atari/ftp.pigwa.net/stuff/mirror/jindroush.atari.org/DATA/AHARD


../                                                  -                     -
CART.GIF                                          1.5K      2001-01-31 00:00
ECIXE.GIF                                       805.0B      2001-01-31 00:00
gr0.png                                          15.9K      2003-07-22 23:00
JOY.GIF                                           1.1K      2001-02-01 00:00
JOYAUTOF.GIF                                      2.3K      2001-02-01 00:00
JOYPORT.GIF                                     469.0B      2001-01-31 00:00
keyfadd.gif                                     957.0B      2001-02-02 00:00
KEYFADDE.GIF                                     25.2K      2000-03-29 23:00
KEYXE.GIF                                         7.9K      2001-02-01 00:00
KEYXL.GIF                                         6.0K      2001-02-01 00:00
mmap_1050.txt                                   596.0B      2002-12-30 00:00
mmap_1050sa.txt                                 636.0B      2003-01-04 00:00
mmap_810.txt                                    404.0B      2003-01-11 00:00
mmap_t720.txt                                   843.0B      2003-01-12 00:00
MONSECAM.GIF                                    559.0B      2001-01-31 00:00
MONXLE.GIF                                      524.0B      2001-01-31 00:00
Paddles.gif                                       2.0K      2001-02-01 00:00
PARXL.GIF                                         1.9K      2001-01-31 00:00
POKEYBLK.GIF                                     28.8K      2001-01-31 00:00
POWERXLE.GIF                                    575.0B      2001-01-31 00:00
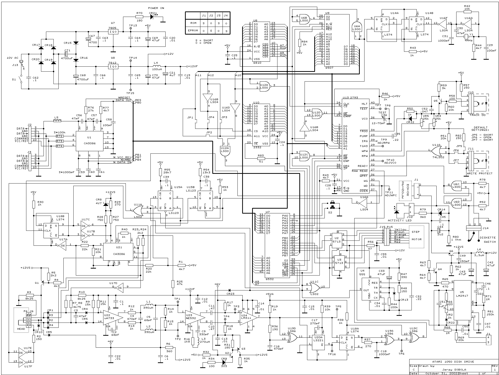
sch_1050.gif                                     95.4K      2003-01-03 00:00
sch_1050sa.jpg                                   58.5K      2002-10-07 23:00
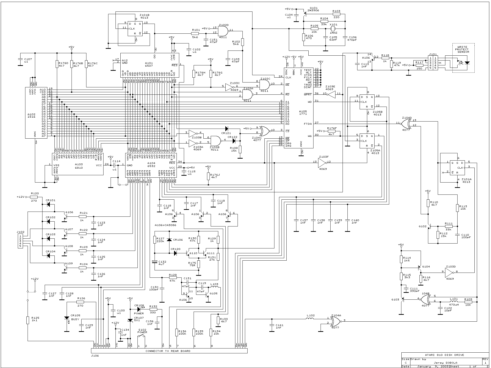
sch_810rear.gif                                  37.0K      2003-01-11 00:00
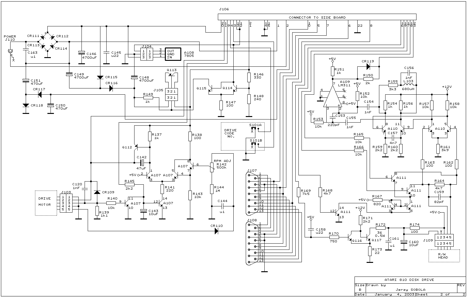
sch_810side.gif                                  67.8K      2003-01-11 00:00
sch_hdi.tif                                      37.3K      2003-01-05 00:00
sch_ldw2000.gif                                  78.8K      2003-01-12 00:00
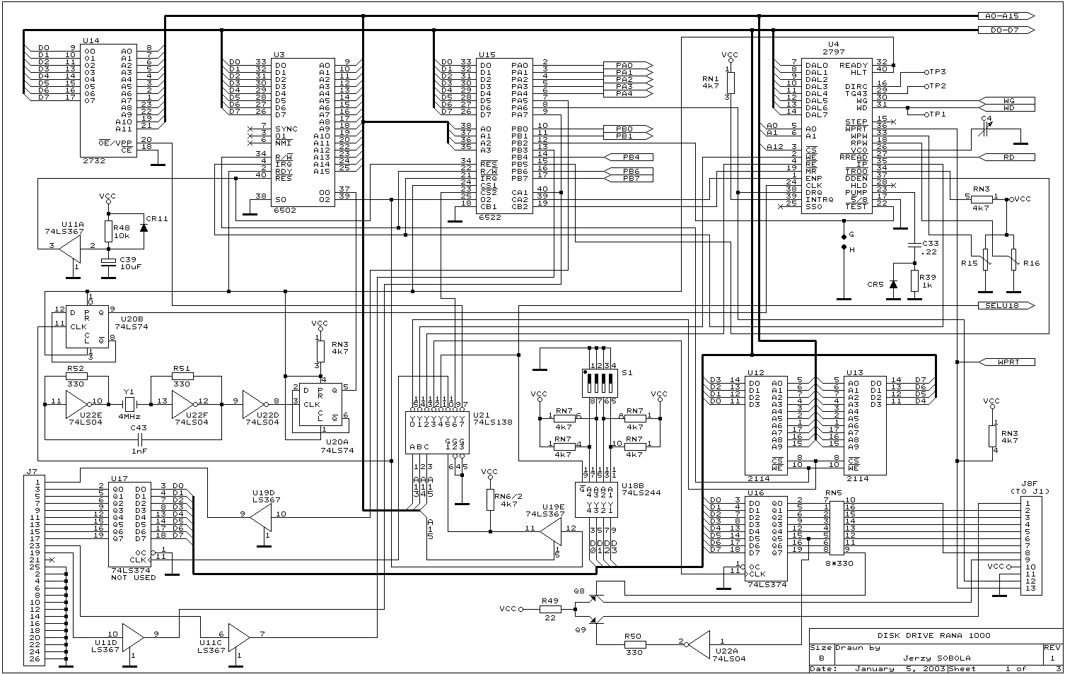
sch_rana1.gif                                    48.8K      2003-01-12 00:00
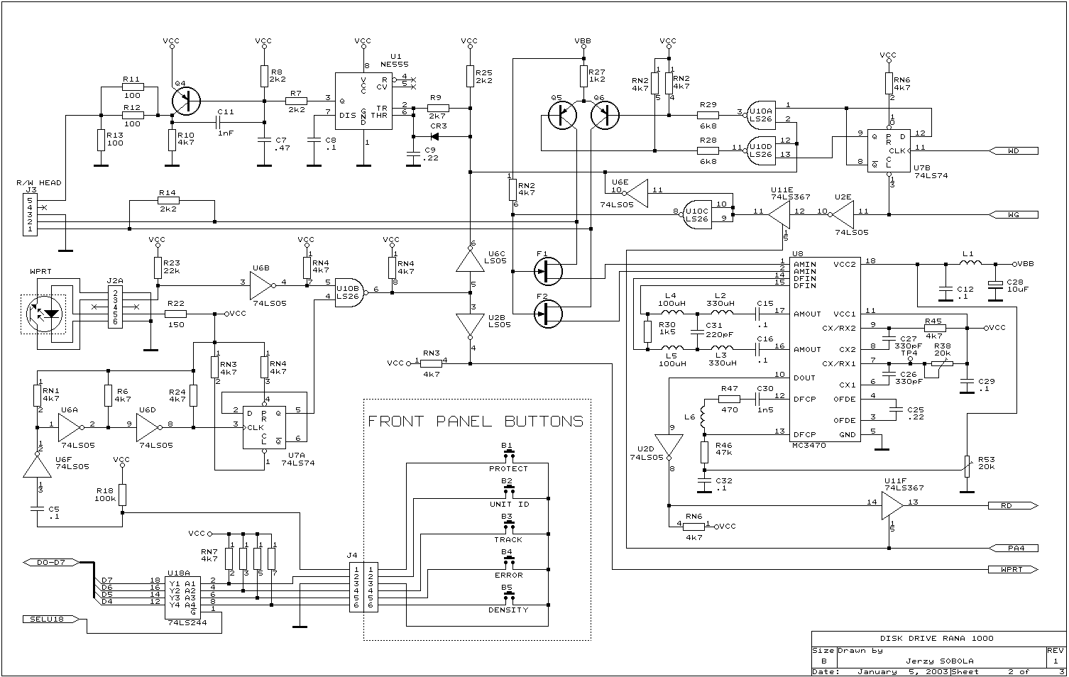
sch_rana2.gif                                    33.9K      2003-01-12 00:00
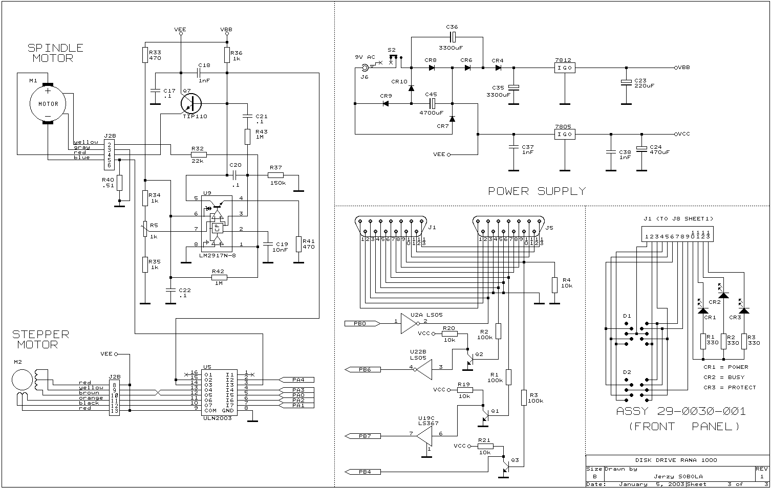
sch_rana3.gif                                    32.5K      2003-01-12 00:00
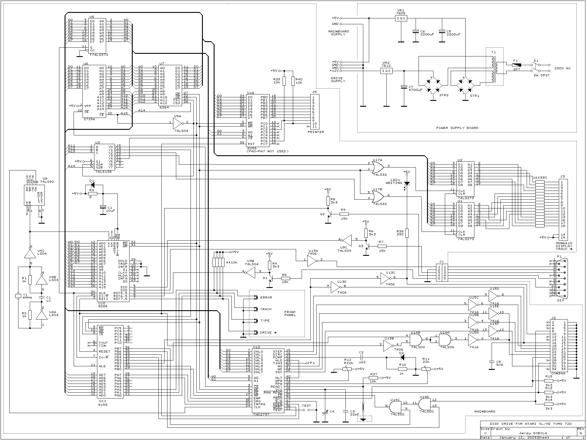
sch_toms720.gif                                  78.0K      2003-01-13 00:00
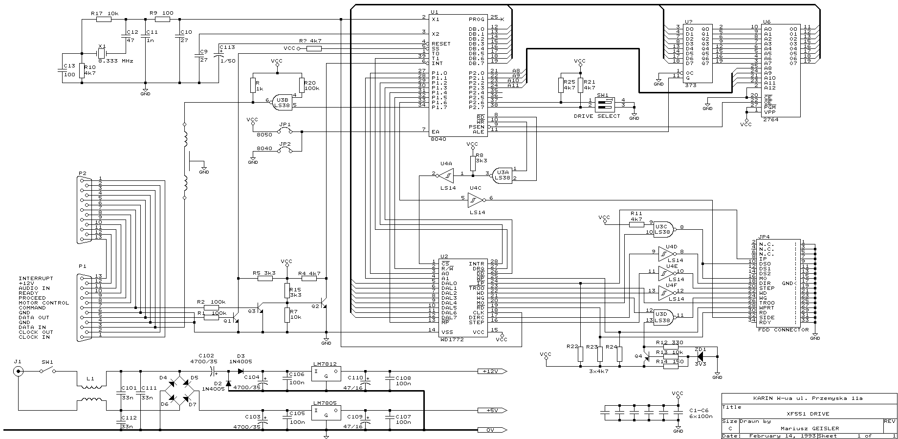
sch_xf551.gif                                    40.1K      2003-01-03 00:00
SIO.GIF                                         747.0B      2001-01-31 00:00
XLWIRING.GIF                                    329.1K      2001-01-31 00:00