Index of /_atari/ftp.pigwa.net/stuff/mirror/jindroush.atari.org/DATA/A7800


../                                                  -                     -
7800exp.gif                                       1.0K      2002-12-09 00:00
7800pwr.gif                                     269.0B      2003-01-13 00:00
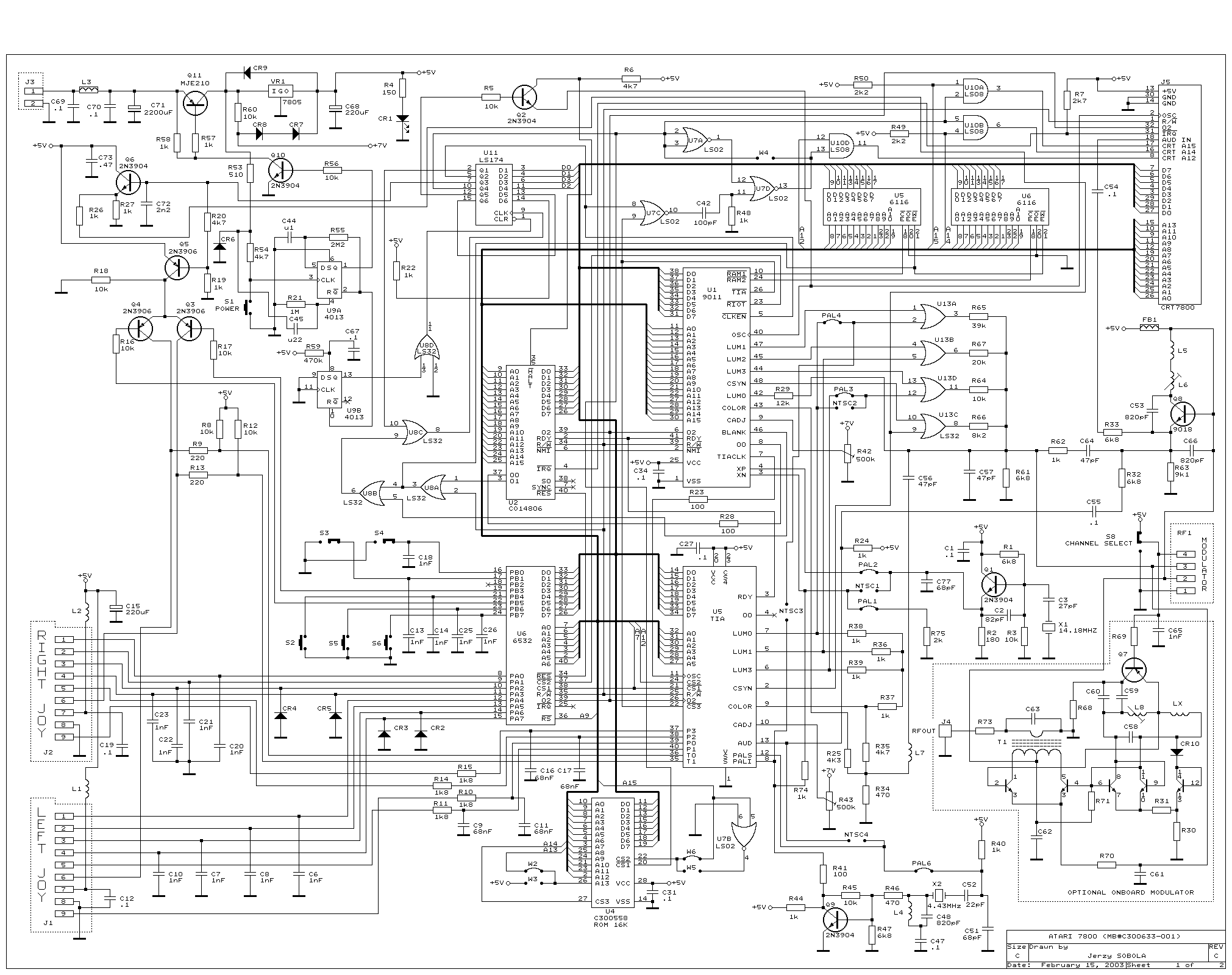
7800schm.gif                                     98.5K      2003-11-01 00:00
7800stkb.gif                                      1.2K      2002-12-03 00:00
c024926.zip                                      10.1K      2002-12-10 00:00
c024926_m.zip                                    12.5K      2002-12-10 00:00
c300703.zip                                      25.2K      2002-12-10 00:00