Index of /_atari/ftp.pigwa.net/stuff/collections/atari_forever/Extension/SpartaDOS X


../                                                  -                     -
SpartaDOS-X Manual_files/                            -      2025-02-14 12:00
CZYTAJ.TO!                                      597.0B      1995-11-03 13:07
SDX1.PCX                                         44.7K      1995-11-03 12:09
SDXCRT.EPR                                       64.0K      1999-12-19 10:02
SDXMG.PCX                                        92.0K      1995-11-03 12:09
SDXV419.zip                                      43.8K      2000-03-31 07:21
SDXV420.zip                                      43.8K      2000-03-31 07:22
Sparta Dos Polish Manual.doc                    600.0K      2000-01-03 13:45
SpartaDOS X - połączenie epromu.jpg           161.0K      1999-08-27 11:08
SpartaDOS X - połączenie epromu.jpg             161.0K      1999-08-27 11:08
SpartaDOS X - płytka.jpg                        31.0K      1999-08-27 10:58
SpartaDOS X - płytka.jpg                         31.0K      1999-08-27 10:58
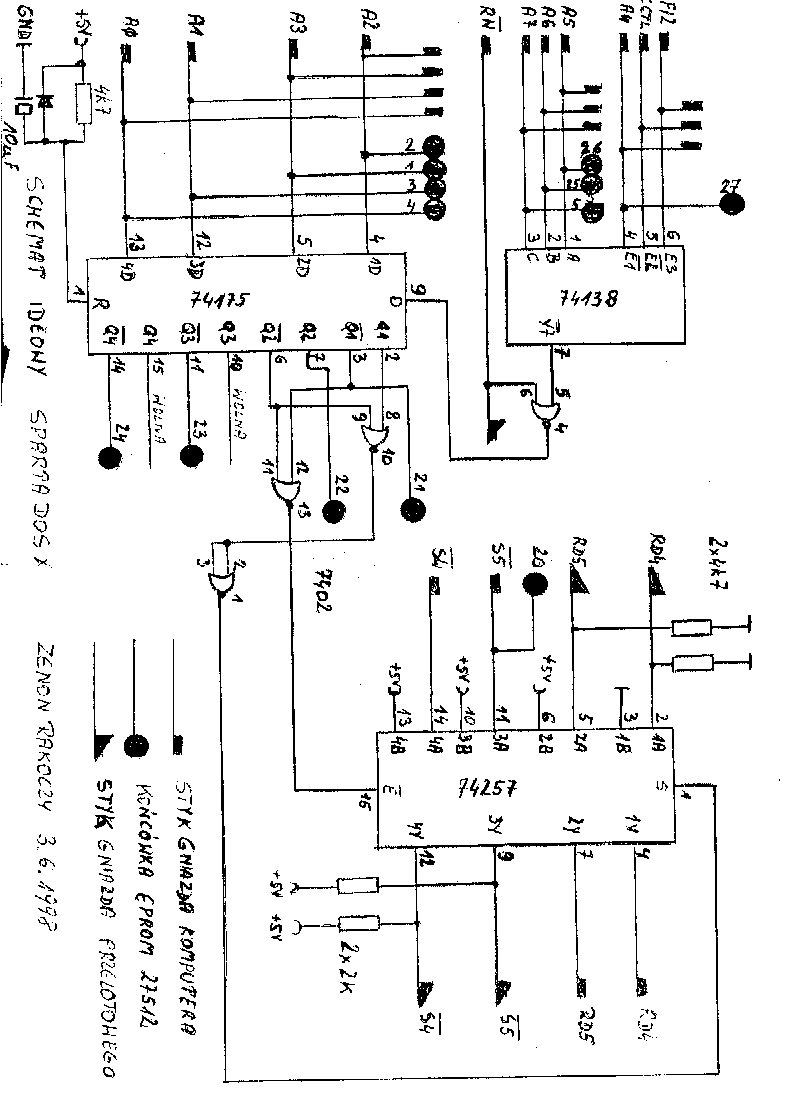
SpartaDOS X - schemat.jpg                       149.5K      1999-08-27 11:11
SpartaDOS-X Manual.htm                            1.2K      2000-03-31 07:21
SPARTAX1.EPR                                     64.0K      1997-01-20 19:19