Tak, tak. Mała Atarynka portafi także obsługiwać keyborda
i powiem szczerze, że idzie jej to całkiem nie źle (słyszałem w
Ornecie). No i mamy komplet (sterownik i oprogramowanie). Jak
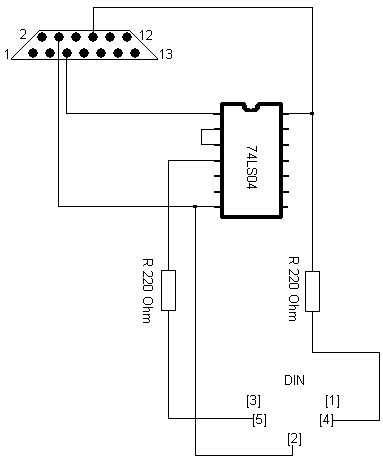
widać sterownik jest banalnie prosty i nawet gość z lewymi rękami
potrafiłby go zmontować. Dopełnieniem do tego schematu jest bardzo ładnie
wykonany program muzyczny, który go obsługuje o nazwie MIDI SEQUENCER 1.15
autorstwa Macieja
SygitaA oto kilka linków odnośnie MIDI na "małe" Atari: ATARI 8-bit - RASTER ATARI XL/XE and MIDI A tu trochę softu: Mididemo - jest to wersja demo programu do odtwarzania plików w formacie MIDI, MIDI-RECORDER - wersja demo programu do nagrywania sekwencji MIDI. Autorem obydwu programów jest Ireneusz Kuczek, któremu dziękuję za podesłanie programów. |