IDE Hard Drive 1200XL

by Bob Wolley

Start

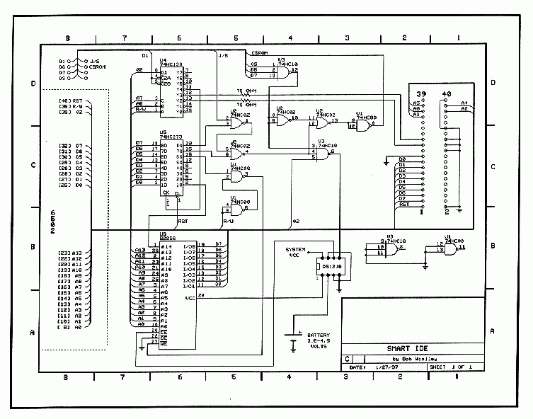
Here are some pics of a Maxtor 80 meg 2.5 inch hard drive mounted in a 1200XL along with the schamatic of the SmartOS/SmartIDE interface ripoff board. You can also see the SmartOS board that the interface in built on. A cool and very easy mod to make for your Atari.







You can get a full size GIF of the schamatic here (ZIP file).



Start

E-Mail Me
Comments, questions, email me.


These pages created and maintained by Clarence Dyson

Copyright © 1996,1999 Clarence Dyson. All rights reserved.
Any reproduction, duplication, or distribution in any form
is expressly prohibited, except by consent of credited creators.

Ride Free, Citizen