myide
(edited 01-09-2000)
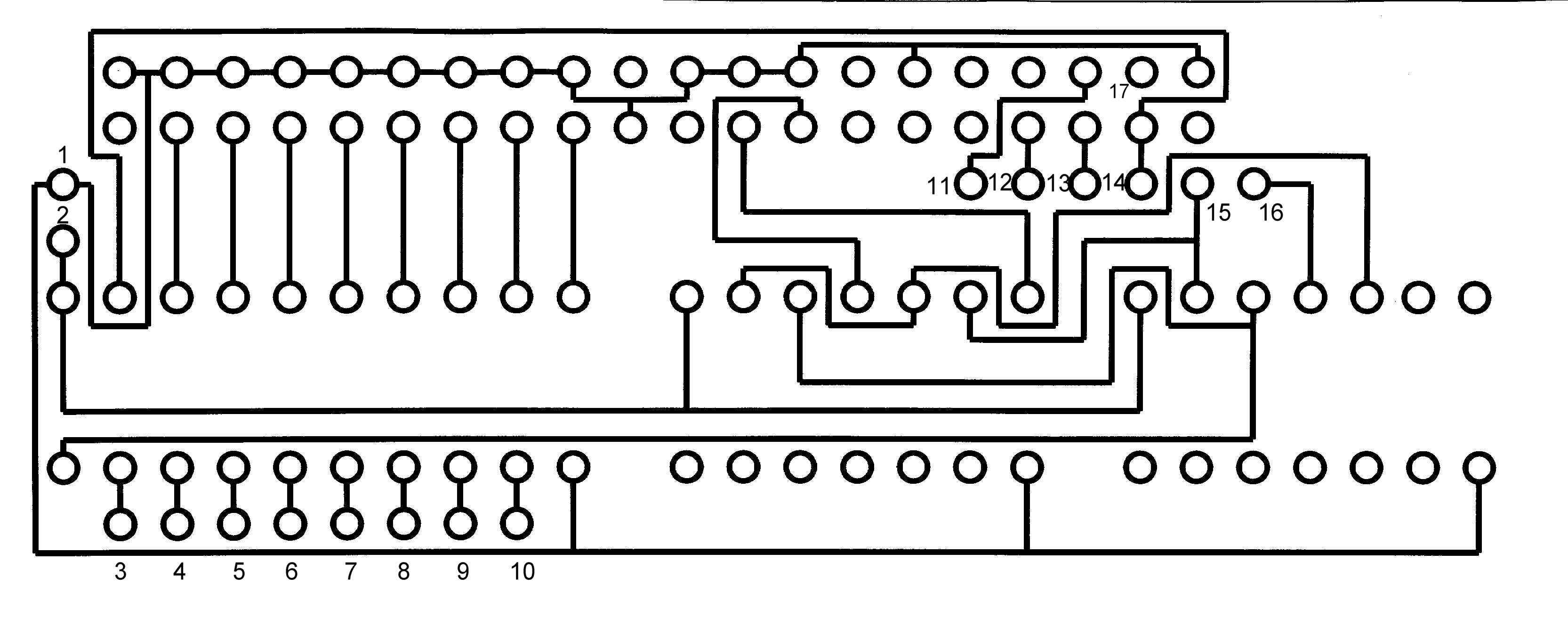
On this page you see the print-layout (component-side) to build your own MYIDE-interface. The print has 16 connections you have make inside your Atari XL/XE or onto a empty cartridge. Use Right-Click on the layout, save picture, print it out the way you want it, and start building!

Were to put the components (pin 1 is always bottem left):
IDE-connector; Top
74LS245; Left
74LS32; Middle
74LS04: Right
4.7k Ohm resistor to connect 17 with 2
Were to connect the 16 wires inside
your ATARI XL/XE:
All wires except one are directly connected to the
Atari 6502C-CPU. In a XL its ID is CO14806-03 placed in the bottom-middle. In a
XE its ID is CO14806C-29 and found in the top-middle. One connection is made to
the (only) 74LS138 found on the PCB. In the XL close under the cart-slot and in
the XE left-above CO12294.
pin 1
pin 8
pin 26
pin 27
pin 28
pin 29
pin 30
pin 31
pin 32
pin 33
pin 11
pin 10
pin 9
to 74LS138 pin 14
pin 36
pin 39
Were to connect the 16 wires onto a
empty cartridge:
(Read chapter 2a for the pin-out of a
cartridge)
B
13
M
11
7
6
L
8
9
10
3
4
5
15
R
S
Troubles building it? You can ALWAYS mail me for help. MYIDE@ATARI.MYWEB.NL