Index of /_atari/ftp.pigwa.net/stuff/collections/PoolDisk Too/CD2/INTERNET/HOMEPAGE/FUNKR/ADAPTER


../                                                  -                     -
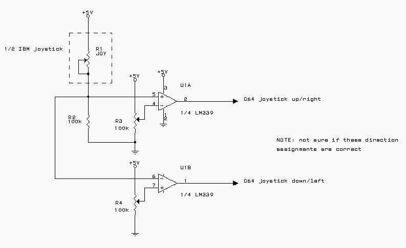
IBMCJOY.GIF                                       4.1K      1999-12-31 15:50
IBMCJO~1.DES                                      1.9K      1999-12-31 15:50
JOYSTICK.PS                                      13.5K      1999-12-31 15:50
JOYSTICK.TXT                                      5.0K      1999-12-31 15:50